We Provide The Best Air Nippers




Active Gripper Components Air Nippers


Air Nippers are used for smooth cutting of runners, flash or unwanted profile from plastic surface or periphery. When runner or flash is cut manually with blades there is no guaranty of smooth cut and simple operator error can cause major surface defects. Basically, there are two types of air nippers i.e. manual or semi automatic and automatic Air Nipper has two parts one is body which is cylindrical or rectangular type and other part is blade. There are numerous types of blades available as per type and profile of object/Sprue to be cut.

Mounting System for Air Nippers

Set of three components i.e SQC-22, IC-45-22 and IC-22-22 are used for mounting nipper at suitable position. This system provides very good flexibility in terms of reach in all direction, at any angle.

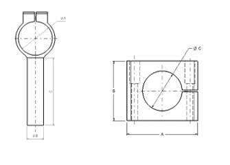
Part No Weight(gm) A / ØA (mm) B / Ø B (mm) C / ØC (mm)
SQC-22 110 53 36 22
QCS-250 250mm x 250mm x 25mmT 1200gm 5 6

© Probond Engineering. All Rights Reserved.